首页
关于我们
企业文化
新闻资讯
产品中心
企业公示
联系我们
环保公示
安全公示
环保公示
8月月度检测报告
三季度检测报告
三季度检测报告
三季度检测报告
三季度检测报告
三季度检测报告
三季度检测报告
三季度检测报告
三季度检测报告
三季度检测报告
三季度检测报告
7月月度检测报告
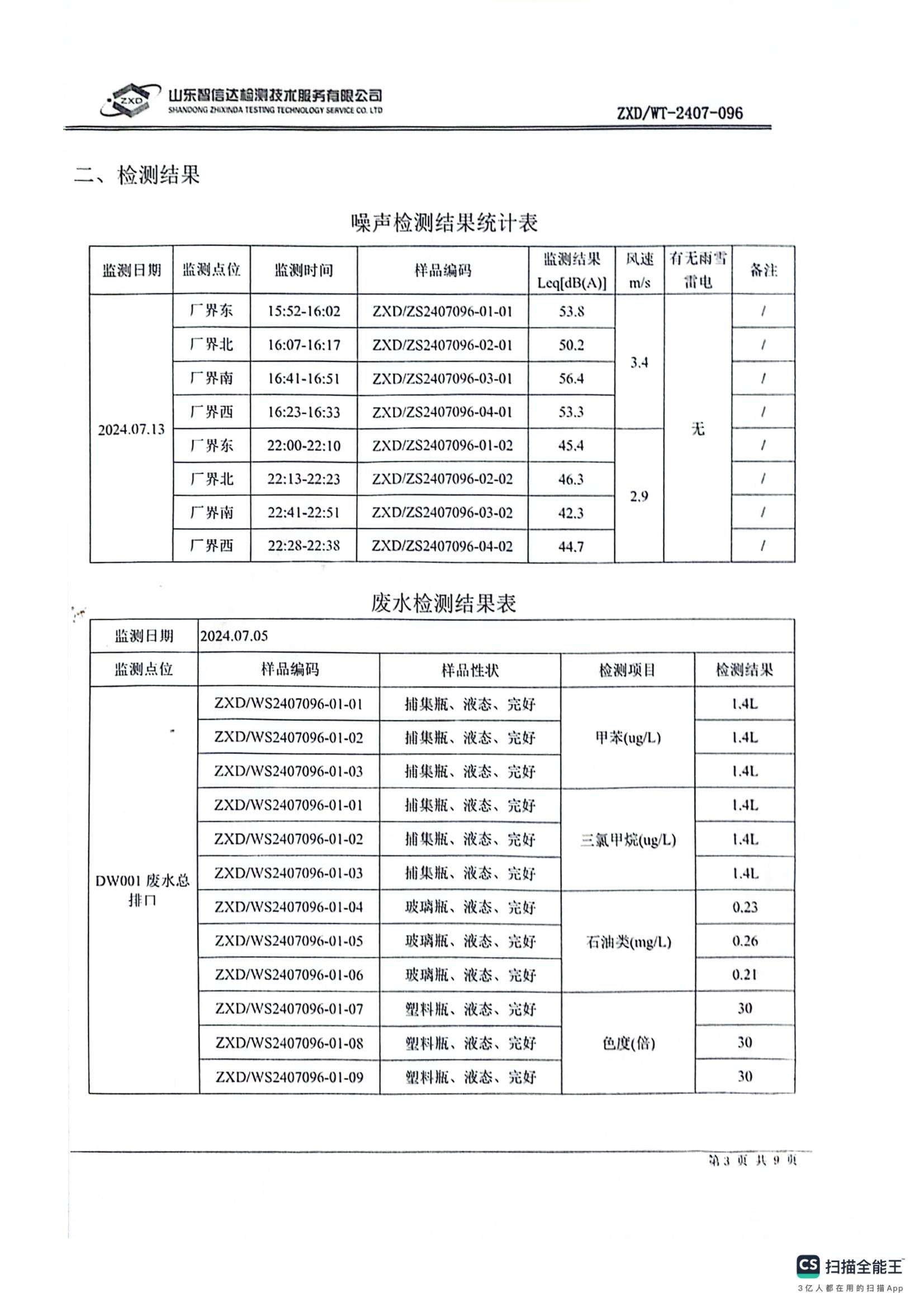
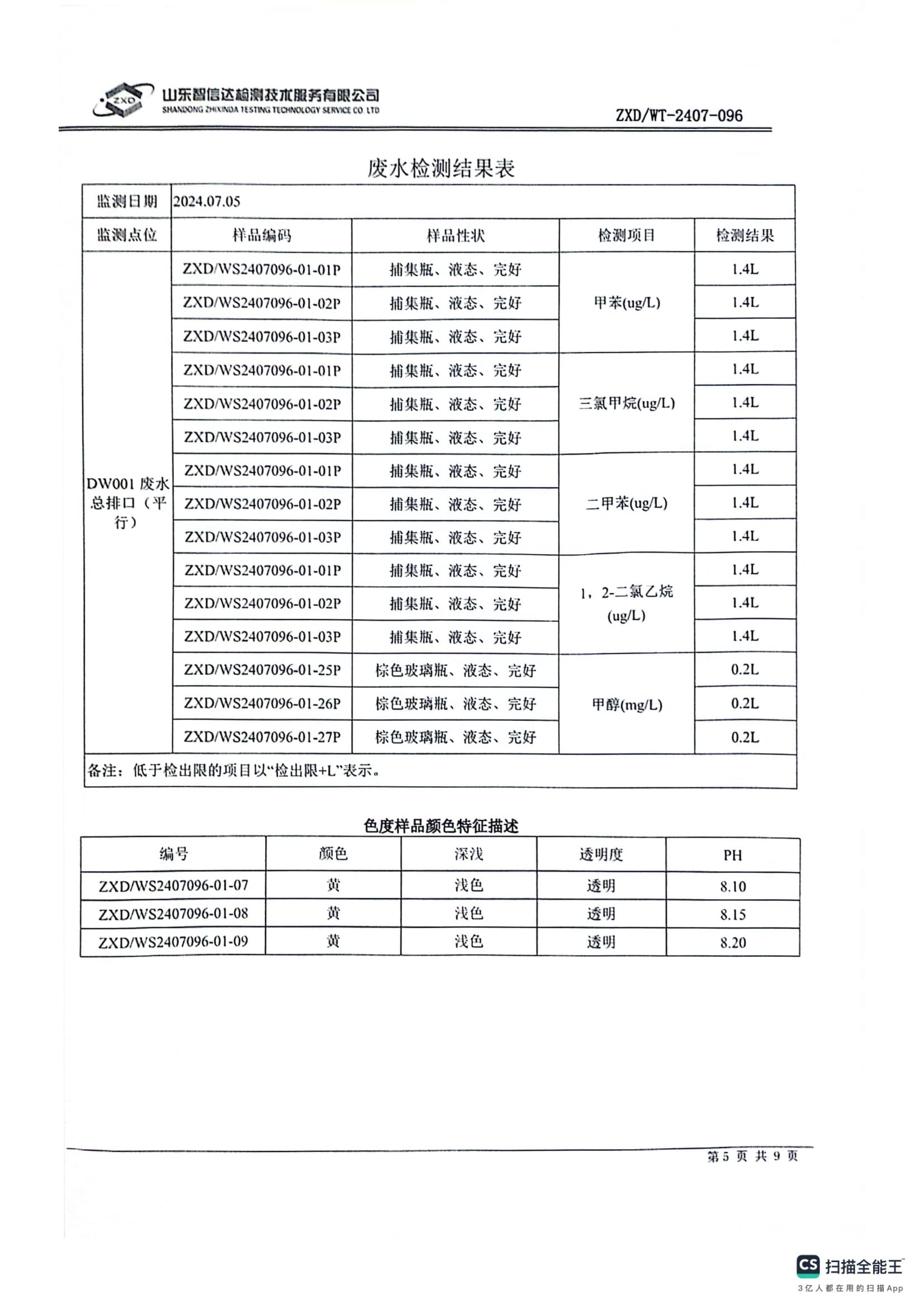
点击查看大图
<
18
19
20
21
22
23
24
25
26
>