首页
关于我们
企业文化
新闻资讯
产品中心
企业公示
联系我们
环保公示
安全公示
环保公示
污水、有组织废气(8月)
污水、有组织废气(8月)
污水、有组织废气(8月)
污水、有组织废气(8月)
污水、有组织废气(8月)
雨水检测
雨水检测
雨水检测
雨水检测
雨水检测
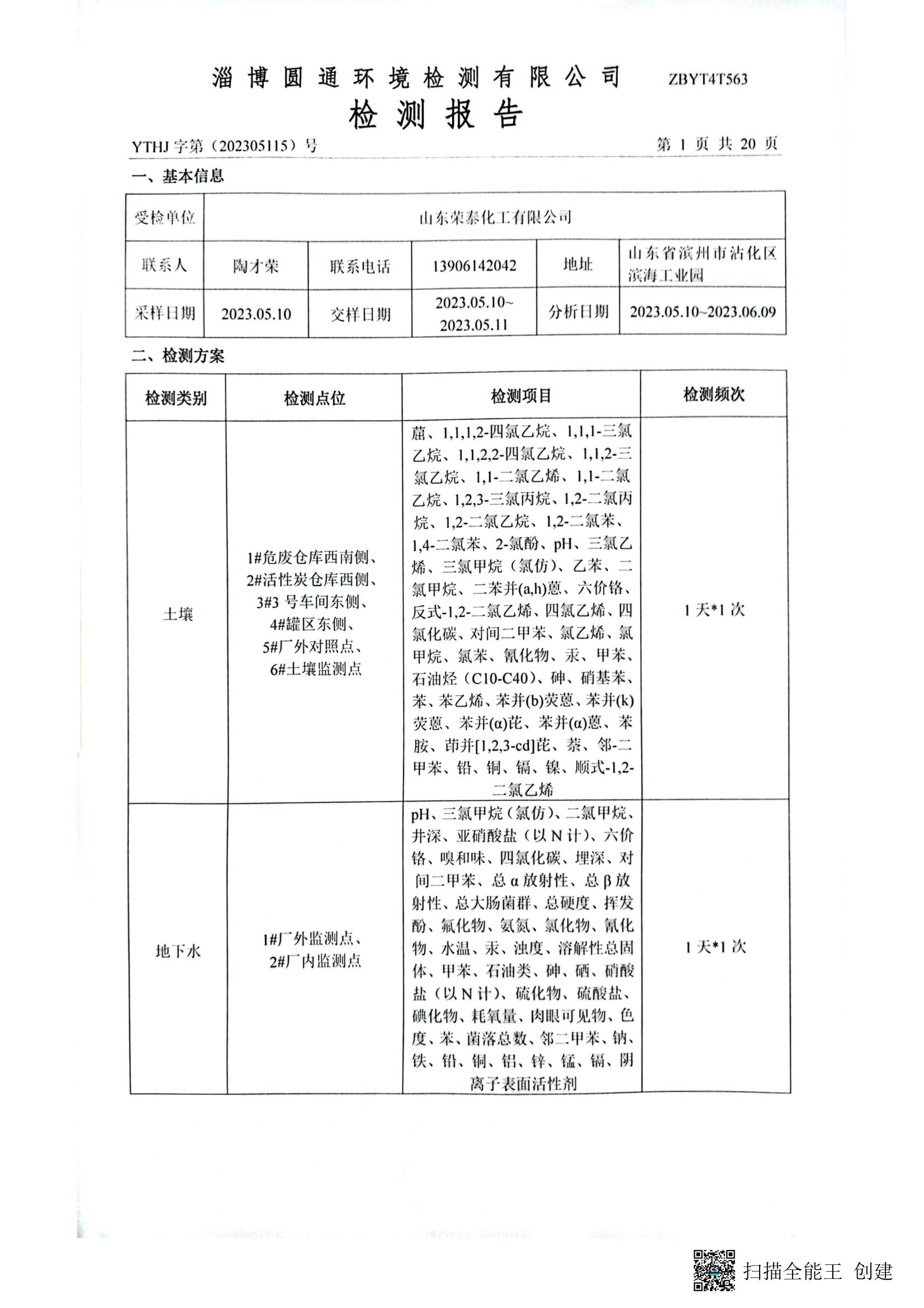
环境质量现状检测项目
环境质量现状检测项目
点击查看大图
<
34
35
36
37
38
39
40
41
42
>