首页
关于我们
企业文化
新闻资讯
产品中心
企业公示
联系我们
环保公示
安全公示
环保公示
环境质量现状检测项目(半年)
环境质量现状检测项目(半年)
环境质量现状检测项目(半年)
环境质量现状检测项目(季度)
环境质量现状检测项目(季度)
环境质量现状检测项目(季度)
环境质量现状检测项目(季度)
环境质量现状检测项目(季度)
环境质量现状检测项目(季度)
环境质量现状检测项目(季度)
环境质量现状检测项目(季度)
环境质量现状检测项目(月度)
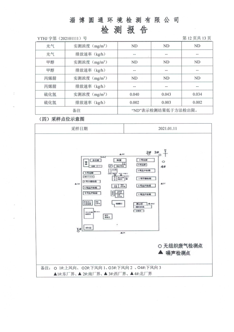
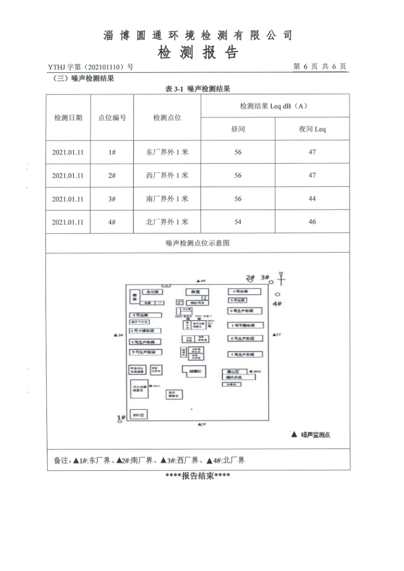
点击查看大图
<
57
58
59
60
61
62
63
64
65
>