首页
关于我们
企业文化
新闻资讯
产品中心
企业公示
联系我们
环保公示
安全公示
环保公示
11月公示04
11月公示03
11月公示02
11月公示01
10月公示05
10月公示04
10月公示03
10月公示02
10月公示01
7月公示05
7月公示04
7月公示03
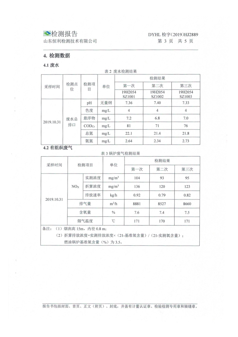
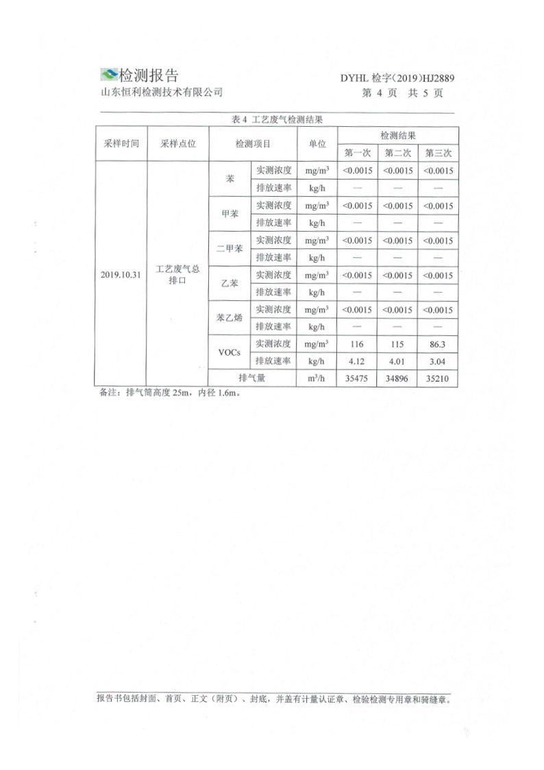
点击查看大图
<
68
69
70
71
72
73
74
75
76
>